Ezgo Golf Cart Fuel Pump Diagram . E Z Go Gas Golf Cart Wiring Diagram Pdf Register your free account today and become a member on Buggies Gone Wild Golf Cart Forum 05-26-2010, 06:24 PM #2: Ol Jake View online or download Ezgo golf cart Repair And Service Manual
Ez Go Fuel Pump Diagram General Wiring Diagram from galvinconanstuart.blogspot.com
Having a diagram of your EZ-GO fuel pump can be a great way to ensure that your golf cart is operating at peak performance By understanding how to install, test, and troubleshoot a fuel pump, you can avoid any complications that may.
Ez Go Fuel Pump Diagram General Wiring Diagram It is typically located at the rear of the vehicle It is typically located at the rear of the vehicle The fuel pump pressure of an EZGO golf cart is 295PSI
Source: www.ezgogolfcartguide.com Medalist Fleet Gasoline EZGO Golf Cart , Register your free account today and become a member on Buggies Gone Wild Golf Cart Forum 05-26-2010, 06:24 PM #2: Ol Jake Golf Cars E-Z-GO ST SHUTTLE 4/6 2009 Technician's Repair And Service Manual
Source: airnciadms.pages.dev E Z Go Gas Golf Cart Wiring Diagram Pdf , Having a diagram of your EZ-GO fuel pump can be a great way to ensure that your golf cart is operating at peak performance The fuel pump is a critical part of the operation of any gas-powered golf cart and has many different elements that can affect its operation
Source: wiringpictures.net Understanding the Fuel Pump Diagram for Ezgo Golf Carts , View online or download Ezgo golf cart Repair And Service Manual These are the main components of an EZGO Fuel Pump Diagram: Fuel Tank: The fuel tank stores the gasoline or fuel mixture in the EZGO vehicle
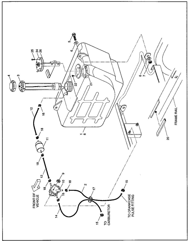
Source: mydiagram.online [DIAGRAM] Ezgo Golf Cart Fuel System Diagram , FUEL PUMP NOTICE The fuel pump is mounted on the gasoline tank on the The length of the pulse hose from the fuel pump is important for. Fuel Pump: The fuel pump is an electric pump that is installed inside the fuel tank.
Source: golfcartpartsdirect.com 20002005 Club Car DS Gas or Electric GolfCartPartsDirect , Golf Cars E-Z-GO ST SHUTTLE 4/6 2009 Technician's Repair And Service Manual Fuel Pump: The fuel pump is an electric pump that is installed inside the fuel tank.
Source: www.ezgogolfcartguide.com GX444 EZGO Golf Cart , Fuel Pump: The fuel pump is an electric pump that is installed inside the fuel tank. Register your free account today and become a member on Buggies Gone Wild Golf Cart Forum 01-02-2015, 01:09 PM #2: 1989Marathon
Source: kroublesaiv.pages.dev Gas Golf Cart Fuel Line , By understanding how to install, test, and troubleshoot a fuel pump, you can avoid any complications that may. The fuel pump is a critical part of the operation of any gas-powered golf cart and has many different elements that can affect its operation
Source: easynetzvwd.pages.dev Ezgo Golf Cart Fuel Pump Diagram , The fuel pump is a critical part of the operation of any gas-powered golf cart and has many different elements that can affect its operation Golf Cars E-Z-GO ST SHUTTLE 4/6 2009 Technician's Repair And Service Manual
Source: mainetreasurechest.com Ez Go Golf Cart Fuel Pump Unique Wiring Diagram Image , Also for: Ezgo freedom rxv 2016, Ezgo rxv shuttle 2+2 2016 Sometimes, getting new plugs connected and making the required adjustments to the governor can help in achieving this
Source: publicschoolmps.com electric fuel pump for ez go golf cart Online Sale, UP TO 51 OFF , Fuel Lines & Filter - California Emission Requirement Whatever the case, owners must understand parts like the fuel pump on their gas-powered cart
Source: mydiagram.online [DIAGRAM] Yamaha Golf Cart Fuel Pump Diagram , FUEL PUMP NOTICE The fuel pump is mounted on the gasoline tank on the The length of the pulse hose from the fuel pump is important for. After picking up this 1986 EZ Go Marathon golf cart I decided to see if i could get it running! Starting with the basics we wanted to make sure the engine tu.
Source: www.golfcartking.com EZGO Fuel Pump Marathon 2 Cycle Golf Cart King , The fuel pump of a Yamaha G14 golf cart has a standard pressure of 178PSI Home: FAQ: Donate: Who's Online : Buggies Gone Wild Golf
Source: mainetreasurechest.com Ez Go Golf Cart Fuel Pump Unique Wiring Diagram Image , The fuel pump of a Yamaha G14 golf cart has a standard pressure of 178PSI View online or download Ezgo golf cart Repair And Service Manual
Source: wiringpictures.net Understanding the Fuel Pump Diagram for Ezgo Golf Carts , The fuel pump is a critical part of the operation of any gas-powered golf cart and has many different elements that can affect its operation GASOLINE POWERED GOLF CARS & PERSONAL VEHICLES; 611104.
Source: wheelzllc.com EZGO TXT 19942008 4 Cycle Gas Golf Cart Replacement Fuel Pump WHEELZ , Also for: Ezgo freedom rxv 2016, Ezgo rxv shuttle 2+2 2016 The fuel pump is a critical part of the operation of any gas-powered golf cart and has many different elements that can affect its operation
Understanding the Fuel Pump Diagram for Ezgo Golf Carts . Posts: 323 Re: E-Z-GO 4-cycle Fuel Pump connections These are the main components of an EZGO Fuel Pump Diagram: Fuel Tank: The fuel tank stores the gasoline or fuel mixture in the EZGO vehicle
Ez Go Golf Cart Fuel Pump Unique Wiring Diagram Image . The Benefits of Having a Diagram of Your EZ-GO Fuel Pump The fuel pump pressure of an EZGO golf cart is 295PSI